
技術規格:
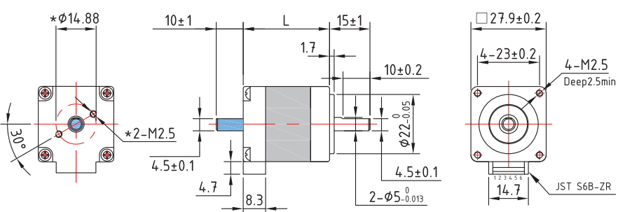
步進電機外形圖:

步進電機矩頻曲線圖:
DT28HS32-05008 
DT28HS32-10008 
DT28HS45-10012 
DT28HS45-15012 
DT28HS51-10014 
DT28HS51-15014

電話:0755-25796858
傳真:0755-25796696
郵箱:sales@dt-me.com
地址:廣東省深圳市南山區西麗街道麻磡社區麻磡路18號工業區8棟5樓
華中辦事處:童仁青 18975332020
地址:湖南省長沙縣星沙大道39號財富港灣1棟2單元1613號
華東辦事處:朱興科 18128820282
地址:江蘇省蘇州市昆山市昆山開發區四季華城32棟2單元1503
![]() |
![]() |
|
| 微信掃一掃 | 手機掃一掃 |
13332976238
13088821218
18975332020
18615652751
18128820282
外貿客服
18926576949